在現代廚房電器中,電磁爐以其高效、便捷的烹飪方式受到了廣泛歡迎。而一個穩定可靠的電源方案是電磁爐正常工作的關鍵。本文將對基于SM7055-18芯片的電磁爐電源方案電路圖進行詳細解析,幫助讀者深入了解其工作原理和設計要點。

電磁爐電源方案的核心是SM7055-18芯片,它是一款采用電流模式PWM控制方式的功率開關芯片,集成了高壓啟動電路和高壓功率管,能夠實現低成本、高性價比的開關電源系統解決方案。該芯片支持BUCK、BUCK-BOOST等多種拓撲結構,適用于電磁爐等小家電產品的電源設計。

上圖為典型的 BUCK-BOOST 電路,其中 C1、C2、L1 組成π型濾波,有益于改善 EMI 特性;R1 電阻為浪涌抑制元件;D1 為整流二極管,構成半波整流電路。
輸出部分 L2 為儲能電感,D2 為 HVDD 供電二極管;D3 為續流二極管,在芯片關斷期間提供輸出電流通路。
當開關電源啟動后,C2 電容上的電壓會通過芯片內部的高壓啟動 MOS 管向芯片 HVDD 電容 C3 充電,當C3 電容電壓達到 11.5V,內部高壓啟動 MOS 管關閉,同時 PWM 開啟,系統開始工作。
當 C3 電容電壓下降到 9V 以下,關閉 PWM 信號,同時芯片將會產生復位信號,使系統重新啟動,這就是欠壓保護。

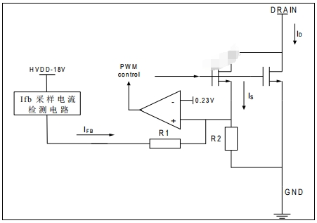
通過高壓 MOS 的電流 ID分成兩個部分,其中一部分為 IS,這部分電流為芯片采樣電流。IS與 ID成比例關系:

從上式可以看出,IFB 電流大,ID 的電流就?。籌FB 電流小,ID 的電流就大。當 IFB 的電流大于(0.23V / R2) 時,芯片會關閉 PWM,同時芯片會自動進入突發模式。
在設計基于SM7055-18的電磁爐電源方案時,需要注意以下幾個要點:

TO252:
IC 的 2 腳 GND 需要鋪銅散熱,鋪銅面積需要大于 8*8mm,以降低芯片的溫度及提高系統的性能。
IC 的 1 腳 DRAIN 腳與 2 腳 GND 及 3 腳 HVDD 之間需要開槽,以滿足安規要求。
初級環路與測試環路的走線距離盡量粗而短,以便更容易通過 EMC 測試。
DIP8:
IC 的 DRAIN 腳與 GND 及 HVDD 之間需要開槽,以滿足安規要求。
初級環路與測試環路的走線距離盡量粗而短,以便更容易通過 EMC 測試


通過對SM7055-18電磁爐電源方案電路圖的詳細解析,我們可以看到該方案具有高效、穩定、可靠的特點。它充分利用了SM7055-18芯片的高性能和多種保護功能,結合合理的電路設計和元件選擇,為電磁爐提供了一個理想的電源解決方案。在實際應用中,只要嚴格按照設計要點進行設計和調試,就能確保電磁爐電源的穩定運行,為用戶提供安全可靠的烹飪體驗。