在現代電源設計中,隔離型適配器和充電器的性能與成本優化一直是工程師關注的重點。LP3669系列芯片作為一款高性能的雙繞組原邊反饋控制芯片,憑借其獨特的設計和廣泛的應用范圍,成為了眾多電源解決方案中的理想選擇。本文將詳細介紹LP3669系列芯片的型號分類、輸出功率范圍以及管腳封裝特點,幫助讀者更好地理解并應用這些芯片。
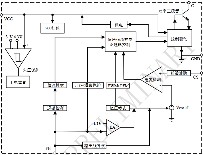
LP3669系列芯片是高性能隔離型適配器和充電器控制芯片。該系列芯片通過檢測變壓器原邊的電流和電壓實現恒流和恒壓功能,無需輔助繞組,從而優化了系統成本。LP3669系列芯片還集成了多種保護功能,包括VCC鉗位/欠壓保護、輸出短路保護和過溫保護等,確保電源系統在各種工作條件下的安全性和可靠性。
LP3669系列芯片根據不同的輸出功率需求,提供了多種型號選擇。以下是該系列的主要型號及其輸出功率范圍:

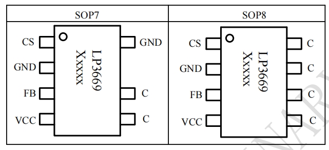
LP3669系列芯片提供了兩種主要的管腳封裝形式:SOP7和SOP8。以下是這兩種封裝形式的詳細介紹:

SOP7封裝是一種緊湊型封裝,適用于對空間要求較高的應用。以下是SOP7封裝的管腳分布和功能描述:
| 管腳號 | 管腳名稱 | 功能描述 |
|---|---|---|
| 1 | CS | 電流采樣腳位,用于檢測電感峰值電流 |
| 2 | GND | 芯片地 |
| 3 | FB | 反饋電壓輸入端,用于恒壓輸出設置 |
| 4 | VCC | 芯片電源,需就近接旁路電容 |
| 5、6 | C | 內置功率三極管的集電極 |
| 7 | GND | 芯片地,與PIN2相同 |
SOP8封裝在SOP7的基礎上增加了額外的管腳,提供了更多的靈活性和散熱能力。以下是SOP8封裝的管腳分布和功能描述:
| 管腳號 | 管腳名稱 | 功能描述 |
|---|---|---|
| 1 | CS | 電流采樣腳位,用于檢測電感峰值電流 |
| 2 | GND | 芯片地 |
| 3 | FB | 反饋電壓輸入端,用于恒壓輸出設置 |
| 4 | VCC | 芯片電源,需就近接旁路電容 |
| 5、6、7、8 | C | 內置功率三極管的集電極 |

LP3669系列芯片通過省去變壓器輔助繞組的設計,顯著降低了系統成本。同時,其內置的多種保護功能減少了外部元件的需求,進一步優化了成本結構。
芯片采用谷底開通機制和專利的電流驅動技術,能夠有效提升系統效率,降低溫升。此外,其特有的隨機抖頻技術可以改善EMI特性,無需額外的濾波元件。

LP3669系列提供了從2.5W到12.0W的多種輸出功率選擇,能夠滿足從低功耗到高功耗設備的不同需求。這種多樣化的功率選擇使得工程師可以根據具體應用場景選擇最適合的型號。
芯片通過檢測變壓器原邊的電流和電壓實現恒流和恒壓功能,能夠提供高精度的輸出控制。同時,其內置的輸出線損補償技術可以有效補償輸出電流在輸出線上的損耗壓降,進一步提高輸出精度。
LP3669系列芯片廣泛應用于以下領域: