在當今的電子設備中,許多低功耗應用場景(如 IoT 設備、智能傳感器等)需要一種高效、低成本且結構簡單的電源解決方案。晶豐明源推出的 BPA8504D 芯片,憑借其高度集成化的設計,為 5V150mA 的非隔離 Buck 電源方案提供了一個理想的參考設計。本文將詳細介紹該方案的芯片簡介、電源規格、電路設計、實物圖、BOM 成本以及效率分析等內容,幫助讀者快速理解和應用這一方案。
BPA8504D 是一款高度集成的 AC/DC PWM 功率開關芯片,專為小功率電源應用設計。它集成了 650V 高壓 MOSFET、PWM 控制器、高壓啟動電路以及多種保護功能(如過溫、過流、過壓和欠壓保護),極大地簡化了電源設計的復雜性。該芯片采用 SOP-7 封裝,適用于家用電器輔助電源、電機驅動輔助電源、IOT 設備、智能家居、智能照明以及工業控制輔助電源等領域。

以下是 BPA8504D 5V150mA 非隔離 Buck 方案的主要電源規格:
| 項目 | 符號 | 最小值 | 典型值 | 最大值 | 單位 | 備注 |
|---|---|---|---|---|---|---|
| 輸入電壓 | VIN | 85 | 115/230 | 264 | VAC | 適用于全球電網 |
| 輸入頻率 | fLINE | 47 | 50/60 | 63 | Hz | |
| 輸出電壓 | VOUT | 4.75 | 5 | 5.25 | V | ±5% |
| 輸出電流 | IOUT | 0 | 150 | - | mA | |
| 輸出電壓紋波 | VRIPPLE | - | - | 100 | mV | 20MHz 帶寬 |
| 連續輸出功率 | POUT | - | 0.75 | - | W | |
| 待機功耗 | PSTDBY | - | 229 | - | mW | 230VAC,包含 1kΩ 假負載 |
| 滿載效率 | η | - | 50 | - | % | |
| 傳導 EMI | - | - | - | - | - | 滿足 CISPR22/EN55022 Class B |
| 浪涌電壓 | - | - | - | 2 | kV | 差模 |
| 脈沖群電壓 | - | - | - | 4 | kV | 5kHz/100kHz/38kHz |
| 工作環境溫度 | TAMP | 0 | 50 | - | ℃ |
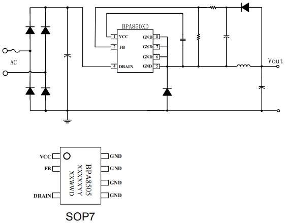
以下是 BPA8504D 5V150mA 非隔離 Buck 方案的電路圖:

保險絲:使用 1.6A/250V 的保險絲,確保在過流情況下保護電路。
NTC 熱敏電阻:22Ω/1W 的 NTC 熱敏電阻用于抑制開機浪涌電流。
X2 電容:0.1μF/250VAC 的 X2 電容用于濾除共模干擾,確保 EMI 性能。
整流橋:使用 M7 型號的整流橋,耐壓 1000V,電流 1A,將交流電整流為直流電。
電解電容:2.2μF/400V 的電解電容用于高壓濾波。在 85VAC 輸入時,該電容容量可能不足,建議增加到 3.3μF 或 4.7μF 以確保滿載啟動。
主功率部分:
BPA8504D 芯片:SOP-7 封裝,集成 650V MOSFET 和 PWM 控制器。
電感:1mH 的工字電感(?8×10mm),用于儲能和濾波。
續流二極管:ES1J 型號,1A/600V,反向恢復時間 35ns,確保高效續流。
電解電容:220μF/16V 的電解電容用于輸出濾波,確保輸出電壓的穩定性。
貼片電容:10μF/25V 的貼片電容進一步降低輸出紋波。
反饋部分:
分壓電阻:2.2kΩ 和 4.7kΩ 的電阻用于分壓,將輸出電壓反饋到 BPA8504D 的 FB 腳。
以下是該方案的BOM清單:

在 230VAC 輸入下,包含 1kΩ 假負載的待機功耗為 229mW,滿足大多數應用場景的低功耗要求。

在不同輸入電壓下,該方案的滿載效率如下表所示:
| 輸入電壓 (VAC) | 效率 (%) |
|---|---|
| 85 | 46 |
| 115 | 48 |
| 230 | 50 |
| 264 | 50 |
在不同負載條件下,輸出電壓紋波如下表所示:
| 輸入電壓 (VAC) | 負載條件 | 紋波 (mV) |
|---|---|---|
| 85 | 空載 | 29.4 |
| 115 | 空載 | 34.7 |
| 230 | 空載 | 55.0 |
| 264 | 空載 | 59.1 |
| 85 | 滿載 | 482.0 |
| 115 | 滿載 | 50.9 |
| 230 | 滿載 | 66.2 |
| 264 | 滿載 | 71.4 |
在 85VAC 輸入時,原設計中的 2.2μF 電解電容容量較小,可能導致滿載啟動失敗。建議將輸入電解電容容量增加到 3.3μF 或 4.7μF,以確保滿載啟動并降低輸出紋波。
BPA8504D 芯片的軟啟動功能在起始限流值為 0.4×Ilimit,經過 63 個開關周期后增加到 0.7×Ilimit,持續 64 個周期后結束軟啟動。這一功能可以有效降低二極管反向恢復電流,從而降低 MOSFET 的電流應力。
在 10%-90% 動態負載條件下,輸出電壓的過沖為 320-344mV。如果需要進一步降低過沖,可以考慮增加輸出電容容量至 470μF。
BPA8504D 5V150mA 非隔離 Buck 電源方案憑借其高度集成化的設計和極簡的 BOM 成本,為低功耗應用場景提供了一個高效、可靠的電源解決方案。該方案不僅滿足了全球電網的輸入要求,還具備低待機功耗、高效率以及良好的 EMI 性能。