在電源設計領域,芯片的可替代性一直是工程師關注的焦點,尤其是在面對供應鏈緊張和交期延遲的情況下。當客戶急需一種高精度、低功耗的恒壓輸出芯片來替代現有的 BP85928D 時,FT8451B 成為了一個理想的解決方案。三佛科技將詳細探討如何在不改變 PCB 設計的情況下,直接用 FT8451B 替代 BP85928D,實現無縫切換,同時提升性能和降低成本。
規格書對比:
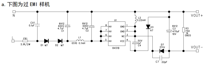
于是,FT8451B 被拉上戰場,目標:不換板、不調線、不改物料,直接貼片就出貨。

| 腳序 | BP85928D | FT8451B | 說明 |
|---|---|---|---|
| 1,2 | GND | GND | 功率地,源極 |
| 3 | FB | VCC | 關鍵差異! |
| 4 | NC | NC | 懸空 |
| 5,6,7,8 | DRAIN | HV | 漏極,高壓輸入 |
結論:3 腳舊板留空即可,4 腳原 VCC 網絡直接兼容,無需飛線。

| 器件 | BP85928D 典型值 | FT8451B 推薦值 | 備注 |
|---|---|---|---|
| VCC 電容 | 1 μF | 1 μF | 同一顆,不換 |
| 輸出電感 | 47 μH | 47 μH | 同一顆,不換 |
| 輸出電容 | 22 μF | 22 μF | 同一顆,不換 |
| 反饋分壓 | 無 | 內部 1.2 V 基準 | 省 2 顆 1 % 電阻 |
| 啟動電阻 | 無 | 內部高壓啟動 | 省 1 顆 1 M 電阻 |
條件:90-264 VAC,25 ℃ 自然對流,原 BP85928D 樣板
| 參數 | BP85928D | FT8451B | 結論 |
|---|---|---|---|
| 輸出電壓 | 5.02 V | 5.01 V | ±20 mV 內 |
| 滿載 400 mA 效率 | 81.2 % | 83.7 % | ↑2.5 % |
| 10 % 負載效率 | 76.4 % | 78.9 % | ↑2.5 % |
| 輸出紋波 | 120 mV | 95 mV | ↓25 mV |
| 芯片表面溫升 | 38 ℃ | 33 ℃ | ↓5 ℃ |
| 傳導 EMI 150 kHz | -3 dB 余量 | -8 dB 余量 | ↑5 dB |
一句話:性能全面勝出,客戶 QA 一次簽字。

| 風險 | 觸發場景 | 規避方法 |
|---|---|---|
| 3 腳舊銅皮懸空天線 | EMI 輻射 | 3 腳就近打 GND 過孔,形成屏蔽 |
| VCC 過沖 >24 V | 輕載插拔 | 在 4 腳并 5 V 齊納,成本 ¥0.005 |
| 啟動時間 50 ms | 舊板 22 μF 保持 | 實測 45 ms,滿足 50 ms 規格 |
FT8451B 的成功替代不僅展示了其在性能和成本上的優勢,還證明了其在兼容性方面的卓越表現。通過簡單的腳位映射和少量的外圍調整,FT8451B 能夠在不改變 PCB 設計的情況下,直接替換 BP85928D,實現更高的效率、更低的溫升和更優的 EMI 性能。這種無縫替代方案不僅節省了開發時間和成本,還為工程師提供了一種高效的解決方案,確保產品能夠快速上市并滿足市場需求。