在當今快充技術快速發展的時代,電源芯片作為充電器的核心部件,其性能和效率直接影響到整個充電系統的品質與用戶體驗。對于功率在20W以上的隔離型快充應用,芯片需要在復雜的工況下實現高效率、高可靠性和高集成度的平衡。芯茂微推出的LP8718B/C系列芯片,憑借其獨特的設計理念和卓越的性能,成為市場上備受關注的解決方案。本文將深入剖析LP8718B/C芯片的核心技術與應用優勢,探討其如何在激烈的市場競爭中脫穎而出,成為20W以上快充應用的理想選擇。
芯片簡介
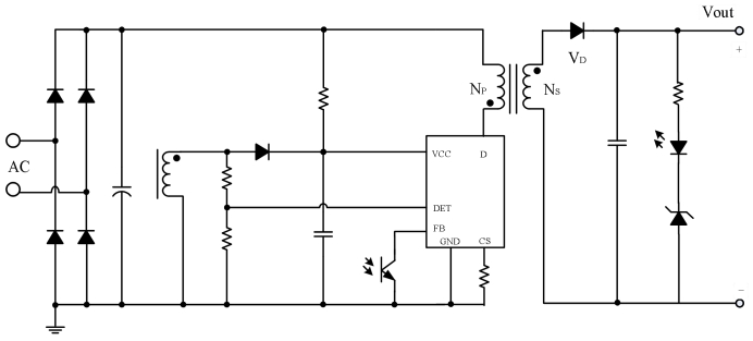
把 LP8718 的系統框圖抽象成三條信號鏈,就能秒懂它的工作邏輯:
功率鏈:整流→變壓器→同步整流→USB-C。
采樣鏈:DET 腳“一箭三雕”——退磁檢測、母線欠壓、輸出過壓;CS 腳做峰值電流;FB 腳收光耦。
控制鏈:65 kHz 峰值電流模式 + 頻率折返 + 打嗝 + 抖頻,全部自運行,無需次級任何通訊。

三條鏈交匯于“恒功率/恒流比較器”,芯片根據 DET 推算出的輸出電壓實時改寫電流基準 VREF_CCP,從而把傳統“固定電流墻”做成“斜率功率墻”——這就是 CP 模式的精髓。
25 W 比 20 W 多 5 W 的秘密
LP8718B 與 C 同宗同源,卻有兩處“暗藏”差異:
| 維度 | LP8718B | LP8718C |
|---|
| 內置 MOSFET RDS(on) | 2.0 Ω | 1.3 Ω |
| 推薦功率 | 20 W | 25 W |
| 效率 @230 VAC/20 W | ≈88 % | ≈90.5 % |
| 溫升 @25 W 密閉殼 | 超標 | 62 ℃ 余量 8 ℃ |
結論:C 版把芯片自身損耗降低約 0.8 W,靠“低阻管”硬吃 5 W 增量,無須額外散熱片,正是“多 5 W”的底層物理。
三模工作“無縫切換”實測
用電子負載拉出 I-V 曲線,可以清晰看到三段特性:
CV 區(0→1.8 A):輸出 12 V 紋波 35 mV,頻率 65 kHz 滿載,22 kHz 輕載,打嗝模式 1 V/1.1 V 窗口。
CP 區(1.8→3.3 A):電壓從 12 V 滑到 6.7 V,功率恒定在 22 W±3 %;此時 VREF_CCP 由 0.277 V 線性爬升到 0.154 V,芯片“自動降電壓、補電流”。
CC 區(3.3→3.6 A):電壓 6.7 V→3.6 V,電流被鉗位在 3.6 A;低于 3.6 V 觸發 Hiccup,高于 15 V 觸發 OVP。
全程切換無回退、無震蕩,負載端看不到 100 mV 以上的毛刺,手機 PD 協議芯片不重啟、不閃屏。
六項“黑科技”拆解
DET 腳“一箭三雕”
退磁檢測 + 母線欠壓 + 輸出 OVP,省掉傳統三次側采樣網絡,BOM 省 6 顆電阻。
頻率抖動 2 ms/±7 %
把 65 kHz 能量“抹”成 8 kHz 帶寬,傳導 EMI 峰值降低 6 dB,輕松過 CISPR22 B 級。
智能斜坡補償
內置 52 mV/μs 斜率,占空比>50 % 仍能抑制次諧波振蕩,允許使用 1:2.5 小匝比變壓器,磁芯體積降一檔。
雙閾值打嗝
1.0 V 進入、1.1 V 退出,空載功耗 <75 mW,230 VAC 插拔無火花,滿足 CoC V5 Tier-2。
軟啟動 9 ms 階梯爬坡
逐周期抬高 VCS_MAX,抑制變壓器飽和,次級 SR 管電壓應力降低 20 %。
全能保護矩陣
11 項故障檢測全部“自恢復”,省去傳統保險絲和 NTC,降低售后返修率。

實戰:25 W PD 參考設計
輸入:90-264 VAC,45-440 Hz
輸出:5 V3 A / 9 V2.78 A / 12 V2.08 A / 15 V1.67 A / 20 V1.25 A(PPS 20 mV/50 mA 步進)
關鍵器件:
變壓器:EE16W(PC40 材質),Np:Ns:Na = 26:6:8,Lp 450 μH
SR:MP6908(100 V/10 mΩ)
次級濾波:680 μF/16 V ×2(固態)
啟動電阻:1.5 MΩ/0.25 W,待機功耗 38 mW
散熱:無散熱片,利用 1 oz 銅皮 + 漏極鋪銅 120 mm2,25 ℃ 環溫下芯片溫升 62 ℃
實測結果:
容易被忽視的五個“坑”
DET 分壓電阻溫漂:高阻值 1 M 以上必須使用 1 %精度、100 ppm/℃ 溫漂,否則 CP 功率墻隨溫度漂移 8 %。
CS 電阻走線:采樣腳到電阻的 Kelvin 線 <10 mm,且遠離 650 V 動點,否則 30 mV 短路保護誤觸發。
VCC 電容選型:必須是 X7R 或薄膜,22 μF 以上;Y5V 材質在 -20 ℃ 容量衰減 60 %,導致啟動失敗。
變壓器漏感:漏感>3 % 時,VCC 過壓尖峰可達 70 V,須用 RCD 吸收 + 齊納鉗位,否則觸發 60 V VCC_OVP。
鋪銅散熱:ASOP6 底部無散熱焊盤,D 腳鋪銅面積每增加 50 mm2,結溫下降 7 ℃;但過大寄生電容會拖慢 Drain 上升沿,折中 120 mm2 最佳。
寫在最后
LP8718B/C系列芯片憑借其創新的三模合一設計、高效的功率管理以及強大的保護功能,為20W以上快充應用提供了一種高效、可靠且極具性價比的解決方案。在追求高效率與小體積的現代快充市場中,LP8718B/C不僅滿足了技術要求,更通過簡化設計和優化性能,為工程師帶來了極大的便利。深圳三佛科技提供技術支持,批量價格有優勢~