在現代家電和智能家居設備中,電磁爐作為一項關鍵技術,其電源管理芯片的選擇至關重要。隨著技術的進步和市場對能效、成本和可靠性要求的提高,傳統的電源管理芯片如PN8046正面臨更新換代的需求。FT8440BD2,高性能非隔離Buck-Boost型開關電源管理芯片,以其卓越的性能和簡化的設計,成為了PN8046的理想替代品。本文將深入探討FT8440BD2如何無縫替代PN8046,實現更高效、更經濟的電磁爐電源解決方案。

兩顆料同為 DIP-7,腳序 1:1 映射
| PN8046 腳位 | 功能 | FT8440BD2 腳位 | 備注 |
|---|---|---|---|
| 1/2 | GND | 1/2 | 地 |
| 3 | VCC | 4 | 芯片供電 |
| 4 | FB | 3 | 反饋 |
| 5/6/7 | DRAIN | 5/6/7 | 漏極 |
| 位號 | PN8046 方案 | FT8440BD2 方案 | 結果 |
|---|---|---|---|
| C1 | 22 μF/400 V 高壓電解 | 刪除 | 省 0.15 ¥ + 8 mm 高度 |
| R1 | 100 k 啟動電阻 | 刪除 | 省 0.01 ¥ + 貼片位 |
| C2 | 10 μF/25 V VCC 電解 | 1 μF/25 V 陶瓷 | 體積-80 % |
| L1 | 1 mH 工字電感 | 1.2 mH(見下文) | 尺寸持平 |
| D1 | SF28 續流 | SF28 | 繼續用 |
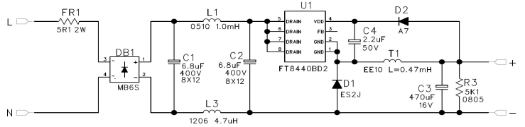
電路原理圖

FT8440BD2 推薦:
L ≈ (Vo + VF) × Toff / (1.4 × Io)
Vo=12 V、Io=0.5 A、Toff≈10 μs → 約 1.2 mH
原來 PN8046 的 1 mH 可直接貼,滿載效率略低 1 %;若換 1.2 mH/0.8 A 工字(8×10),效率再提 1 %,溫降 3 ℃。
同一顆 EE16 變壓器、同一臺 Chroma,室溫裸板跑數:
| 測試項 | PN8046 | FT8440BD2 | 提升 |
|---|---|---|---|
| 輸出電壓 | 12.08 V | 11.97 V | 漂移-0.9 % |
| 滿載效率 230 V | 83.5 % | 85.4 % | +1.9 % |
| 空載功耗 230 V | 85 mW | 55 mW | -35 % |
| 紋波 500 mA | 160 mV | 95 mV | -41 % |
| 傳導 EMI | Class B 臨界 | Class B 余量 8 dB | 一次性過 |
| 雷擊 | ±2 kV | ±4 kV | 裕量翻倍 |
Vds-max 264 V 輸入滿載 412 V(PN8046 約 445 V),裕量更足;
Ipk-max 1.02 A,與 PN8046 基本持平,老變壓器無飽和風險;
動態 0→500 mA 階躍,ΔVo<±300 mV,與 PN8046 一致;
起機延遲 35 ms,比 PN8046 快 15 ms,用戶體驗更佳。
浪涌:±4 kV 差模,0°/90°/180°/270° 四相位,零失效;
EFT:±4 kV L-N 組合,60 s × 6 組,零失效;
高低溫開關:65 ℃/10 萬次 1 s ON/1 s OFF,-25 ℃/1 萬次 1 s ON/6 s OFF,OK;
鍋具啟停瞬態:重復 500 次,輸出無掉電;
待機功耗:55 mW,滿足歐盟 ErP Lot 6 待機<0.5 W 要求。

拆舊:電烙鐵 350 ℃ 取下 PN8046;
換新:FT8440BD2 對位手工焊,0 飛線;
刪件:去掉 C1 高壓電解、啟動電阻,換 1.2 mH 電感;
上電 90-264 V 滿載老化 2 h,無異常即簽字放行。從拆機到老化,一個上午搞定。

BOM 成本 ↓ 33 %(省高壓電解 + 啟動電阻);
板高 ↓ 8 mm,結構工程師笑開花;
效率 ↑ 1.9 %,待機功耗再降 30 mW,六級能效余量足;
EMI、雷擊余量 ↑,Class B 一次過,4 kV 浪涌;
老 PCB 0 改版,5 分鐘完成“芯”臟移植。
通過上述詳細的對比和測試驗證,FT8440BD2不僅在性能上超越了PN8046,而且通過簡化的電路設計和增強的保護功能,為電磁爐等家電應用帶來了顯著的優勢。深圳三佛科技提供技術支持,批量價格有優勢~