PN8366SSC-R1M芯朋微SOP7/6W 原邊控制器電源芯片
5V1.2A SOP7
5V1.2A SOP7
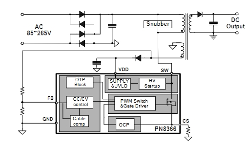
PN8366SSC-R1M集成超低待機功耗準諧振原邊控制器及高雪崩能力智能功率MOSFET(PN8366M 700V,PN8366H 800V),用于高性能、外圍元器件精簡的充電器、適配器和內置電源。

PN8366為原邊反饋工作模式,可省略光耦和TL431。內置高壓啟動電路,可實現芯片空載損耗(230VAC)小于30mW。在恒壓模式,采用準諧振與多模式技術提高效率并消除音頻噪聲,使得系統滿足6級能效標準,可調輸出線補償功能能使系統獲得較好的負載調整率;在恒流模式,輸出電流和功率可通過CS腳的電阻進行調節。該芯片提供了極為全面的智能保護功能,包含逐周期過流保護、過壓保護、開環保護、過溫保護、輸出短路保護和CS開/短路保護等。
內置高雪崩能力智能功率MOSFET(M 700V/H 800V)
內置高壓啟動電路,小于30mW空載損耗(230VAC)
采用準諧振與多模式技術提高效率,滿足6級能效標準
全電壓輸入范圍±5%的CC/CV精度
原邊反饋可省光耦和TL431
恒壓、恒流、輸出線補償外部可調
無需額外補償電容
無音頻噪聲
智能保護功能 過溫保護 (OTP)
VDD欠壓&過壓保護 (UVLO&OVP)
逐周期過流保護 (OCP)
CS開/短路保護 (CS O/SP)
開環保護 (OLP)
PN8366MSSC-R1 SOP-7 6W
PN8366HSSC-R1 SOP-7 6W

開關電源適配器
電池充電器
機頂盒電源